P0365 Camshaft Position Sensor B Circuit Bank 1 Location

P0365 2011 Ford Fusion Camshaft Position Sensor B Circuit Bank 1

P0365 2011 Ford Fusion Camshaft Position Sensor B Circuit Bank 1

P0365 Camshaft Position Sensor Circuit Bank 1 Sensor 2 Obd2 Code

P0365 Camshaft Position Sensor Circuit Bank 1 Sensor 2 Obd2 Code

2007 Sienna Code P0365 Sensor Bank 1 Is Located Where

2007 Sienna Code P0365 Sensor Bank 1 Is Located Where

Bmw E46 How To Fix Code P0365 Camshaft Position Sensor B Circuit Bank 1 Youtube

Bmw E46 How To Fix Code P0365 Camshaft Position Sensor B Circuit Bank 1 Youtube

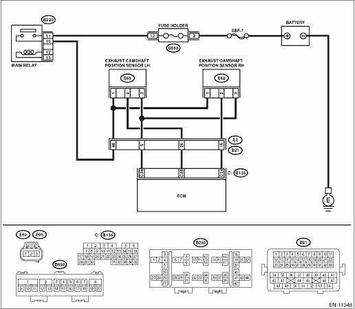
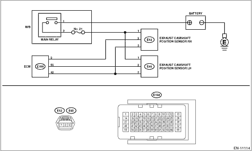
Subaru Legacy Service Manual Dtc P0365 Camshaft Position Sensor B Circuit Bank 1 Diagnostic Procedure With Diagnostic Trouble Code Dtc

Subaru Legacy Service Manual Dtc P0365 Camshaft Position Sensor B Circuit Bank 1 Diagnostic Procedure With Diagnostic Trouble Code Dtc

Subaru Crosstrek Service Manual Dtc P0365 Camshaft Position Sensor B Circuit Bank 1 Diagnostic Procedure With Diagnostic Trouble Code Dtc

Subaru Crosstrek Service Manual Dtc P0365 Camshaft Position Sensor B Circuit Bank 1 Diagnostic Procedure With Diagnostic Trouble Code Dtc

Subaru Crosstrek Service Manual Dtc P0365 Camshaft Position Sensor B Circuit Bank 1 Diagnostic Procedure With Diagnostic Trouble Code Dtc

This information is used by the engine control module to control ignition and fuel injection the camshaft position sensor senses the retraction of camshaft intake to identify a particular cylinder.

P0365 camshaft position sensor b circuit bank 1 location.

Repair information for p0365 mini code. I can remember a car that i had to replace the cam sensor and crank sensor as a set from nissan. If so you might check for a tsb pertaining to syncing the cmp s and the ckp. Essentially the p0365 code means that there has been a lack of voltage detected from the camshaft position sensor b in bank 1 by the pcm within a few seconds of the engine starting.

It is considered generic because it applies to all makes and models of vehicles 1996 newer although specific repair steps may be slightly. Code p0345 p0390 camshaft position cmp sensor circuit bank 2 sensor 1 sensor 2 dodge jeep chrysler obd scanner. Learn what camshaft position sensor b circuit bank 1 means location and how to repair. P0365 description the camshaft position sensor is an electronic device used in an engine to record the rate at which the camshaft is spinning.

This information is used by the engine control module to control ignition and fuel injection the camshaft position sensor senses the retraction of camshaft intake to identify a particular cylinder. If a code p0366 accompanies a malfunction indicator lamp mil in your vehicle it means that the powertrain control module pcm has detected a problem with the exhaust camshaft position sensor or circuit for engine bank one. What the p0365 code means. P0365 bmw meaning the camshaft position sensor is an electronic device used in an engine to record the rate at which the camshaft is spinning.

This diagnostic trouble code dtc is a generic powertrain code. Sensor b indicates that the. P0365 camshaft position sensor b circuit bank 1 technical description. This information is used by.

P0365 meaning the camshaft position sensor is an electronic device used in an engine to record the rate at which the camshaft is spinning. Camshaft position sensor b circuit bank 1. The p0365 code means that the car s computer has detected a fault in the camshaft position sensor b in bank 1. Https amzn to 2jlm4cw if you have a chrys.

Comment on p0365 camshaft position cmp sensor b bank 1 circuit malfunction by sm darby is the engine timed correctly. This information is used by the engine control module to control ignition and fuel injection the camshaft position sensor senses the retraction of camshaft intake to identify a particular cylinder.

P0365 Camshaft Position Cmp Sensor B Bank 1 Circuit Malfunction Troublecodes Net

P0365 Camshaft Position Cmp Sensor B Bank 1 Circuit Malfunction Troublecodes Net

48b68 Wiring Diagram For Camshaft Position Sensor Wiring Resources

48b68 Wiring Diagram For Camshaft Position Sensor Wiring Resources

Error Code P0365 Hyundai Forums

Error Code P0365 Hyundai Forums

P0340 Camshaft Position Sensor Circuit Bank 1 Sensor 1 Obd2 Code

P0340 Camshaft Position Sensor Circuit Bank 1 Sensor 1 Obd2 Code

Source : pinterest.com